
ALA Series Pulse Latching Solenoid Valve
Energy-saving pulse latching solenoid valve using NdFeB magnetic holding design. Suitable for battery-powered or remote-control systems, with a waterproof IP65 coil and a wide pressure range up to 50 bar. Operated by a neodymium magnet (NdFeB) to maintain the valve in the open position without continuous power consumption. Ideal for battery-powered systems and wireless remote control applications. The coil is fully encapsulated with waterproof protection, rated at IP65.
Type: 2/2 Way
Operation: Direct Acting / Pilot Operated
Orifice Size: DN1–50 mm
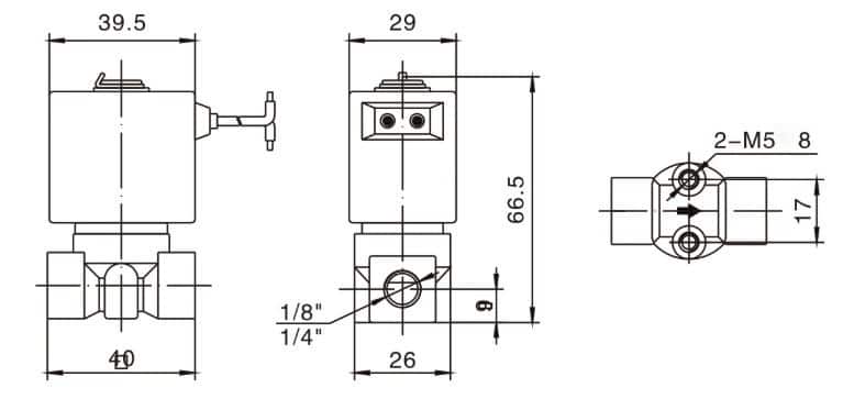
Port Size: 1/8”–2”
Working Pressure: 0–50 bar
Seal Material: NBR, EPDM, FKM
Body material: Brass
Fluid Media: Air, gases, oil, non-corrosive liquids, water.
Model: ALA Series
Applications: Remote control cases.
Direct-acting Type Dimensions
Pilot Type Dimensions
Size | A | B | C |
---|---|---|---|
DN10 | 68 | 49 | 92 |
DN15 | 68 | 49 | 92 |
DN20 | 76 | 57 | 99 |
DN25 | 96 | 70 | 107 |
DN35 | 120 | 90 | 126 |
DN40 | 120 | 90 | 126 |
DN50 | 150 | 112 | 143 |
Technical Data Sheet
Pipe | Orifice | CV value | Mini Pressure (bar) |
Max Work Pressure(bar) | Power | Weight (KG) |
||||
---|---|---|---|---|---|---|---|---|---|---|
AC | DC | |||||||||
Air | Water | Oil | VA | W | W | |||||
Direct acting type | ||||||||||
1/8” 1/4” |
1 | 0.04 | 0 | 50 | 50 | 50 | 9 | 4.5 | 8 | 0.27 |
1.5 | 0.1 | 0 | 25 | 25 | 25 | |||||
2 | 0.15 | 0 | 15 | 15 | 15 | |||||
2.5 | 0.23 | 0 | 7 | 7 | 5 | |||||
3 | 0.3 | 0 | 5 | 5 | 3 | |||||
4 | 0.58 | 0 | 2 | 2 | 1 | |||||
5 | 0.65 | 0 | 1 | 1 | 0.5 | |||||
6 | 0.8 | 0 | 0.5 | 0.5 | 0.3 | |||||
Pilot type | ||||||||||
3/8” | 10 | 4.6 | 0.5 | 10 | 10 | 7 | 9 | 4.5 | 8 | 0.62 |
1/2” | 15 | 4.6 | 0.5 | 10 | 10 | 7 | 0.58 | |||
3/4” | 20 | 8.5 | 0.5 | 10 | 10 | 7 | 0.77 | |||
1” | 25 | 12 | 0.5 | 10 | 10 | 7 | 1.09 | |||
5/4” | 35 | 26 | 0.5 | 7 | 7 | 5 | 2.17 | |||
6/4” | 35 | 26 | 0.5 | 7 | 7 | 5 | 2.01 | |||
2 | 50 | 48 | 0.5 | 7 | 7 | 5 | 3.04 |
Note:
Not suitable for the following media:
-
Corrosive fluids;
-
Fluids that are liquid when heated but solidify when cooled;
-
Fluids with viscosity greater than 50 cSt.
If the medium contains impurities or solid particles, a filter (with a mesh size finer than 80 mesh/inch) must be installed before the valve.