AXF Series Axial Solenoid Valve
This 2-way normally open axial solenoid valve opens when de-energized and closes when energized. It adopts a pressure-balanced design, enabling zero-pressure start without any minimum differential pressure requirement. The valve offers tight sealing against back pressure, ensuring no leakage. With its compact and durable structure, it is ideal for handling highly viscous and heavily contaminated media in industrial applications.
Type: 2-Way Normally Open Axial Solenoid Valve
Working Pressure: 0–64 kgf/cm²
Ambient Temperature: 0°C–65°C
Voltage: AC220V, DC24V ±10%
Seal Materials: PU, EPDM, VITON, NBR
Body Material: Forged Brass, Stainless Steel
Fluid Media: Viscous Liquids, Waste Water.
Model: AXF Series
Features:
-
Axial flow design for efficient fluid passage
-
Pressure-balanced structure for zero-pressure start
-
No minimum pressure difference required
-
Reliable sealing performance under back pressure
-
Compact, corrosion-resistant, and easy to maintain
-
Suitable for viscous and highly polluted media
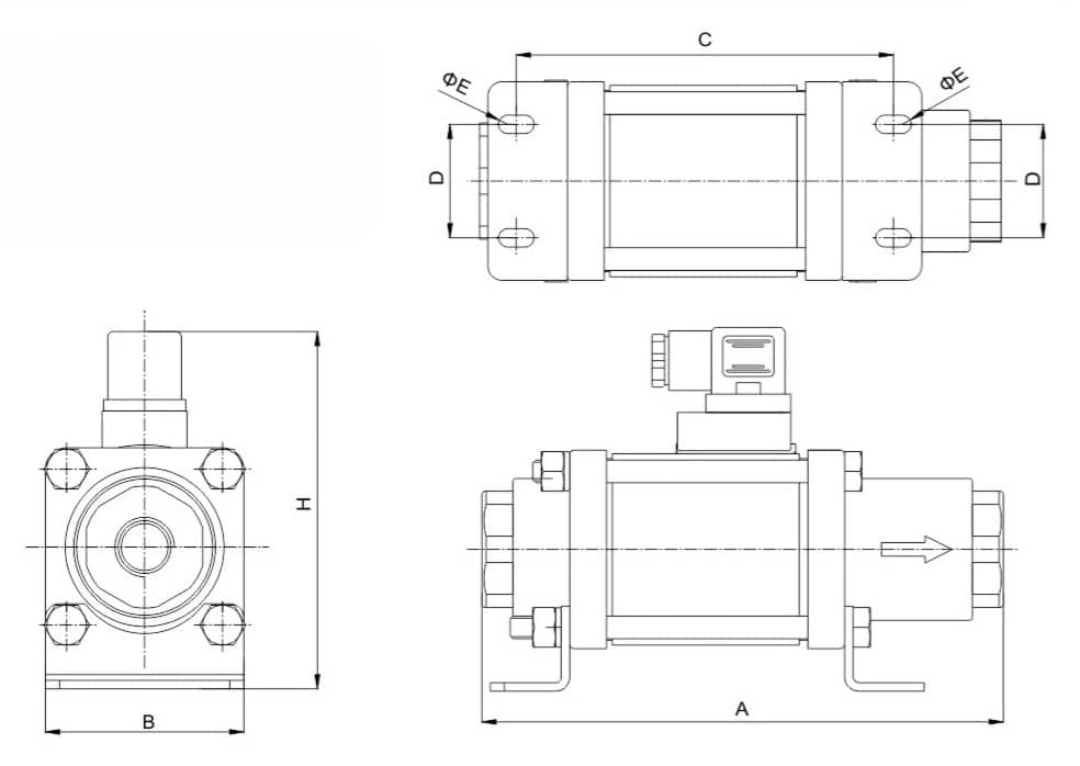
Dimensions
| Model | A | B | C | D | E | H |
|---|---|---|---|---|---|---|
| AXF2-10 | 162.5 | 60 | 125.5 | 30 | 6.5 | 115 |
| AXF2-15 | 184 | 70 | 133 | 40 | 6.5 | 126 |
How to order
| 1 | 2 | 3 | 4 | 5 | 6 | 7 | 8 | 9 | 10 |
|---|---|---|---|---|---|---|---|---|---|
| Valve Series |
Mode of Operation |
Coil Type | Coils Class |
Voltage | Seal Material | Body Material |
Pipe Size | Orifice | Options |
| AXF | 2 | A | H | 02 | V | 1 | D | 17 | □ |
| 2= Normally Open |
A=Metallic Housing DIN standard |
H= H Class |
02= AC220V 04=DC24V |
P=PU E=EPDM V=VITON N=NBR |
1= Forged Brass 4= Ss304 |
B=1/4″ C=3/8″ D=1/2 |
10=10.0 | L= Neon Lamp N= NPT |
|
| C=3/8″ D=1/2 |
16=16.0 |
Technical Data Sheet
| Pipe Size |
Orifice mm |
CV Factor |
Operating pressure differential (kgf/cm²) |
Coil Type |
Coil Class |
Power | Max. Fluids Temp. ℃ |
Weight KG |
|||||
|---|---|---|---|---|---|---|---|---|---|---|---|---|---|
| VA | W | ||||||||||||
| Min. | Max. | ||||||||||||
| AC | DC | Opposite pressure |
AC 220V |
DC 24V |
|||||||||
| AC | DC | ||||||||||||
| 1/4 | 10 | 2.5 | 0 | 64 | 64 | 16 | 16 | A | H | 42 | 42 | 120 | 2.45 |
| 3/8″ | 10 | 2.5 | 0 | 64 | 64 | 16 | 16 | A | H | 42 | 42 | 120 | 2.4 |
| 1/2″ | 10 | 2.5 | 0 | 64 | 64 | 16 | 16 | A | H | 42 | 42 | 120 | 2.4 |
| 3/8” | 16 | 5.5 | 0 | 64 | 64 | 16 | 16 | A | H | 42 | 42 | 120 | 3.5 |
| 1/2″ | 16 | 5.5 | 0 | 64 | 64 | 16 | 16 | A | H | 42 | 42 | 120 | 3.45 |